保温结构一体化—黄氏壹节不燃免拆保温模板
发布时间:2018-11-26 14:09
在10月26日,2018石家庄·西柏坡建筑保温与结构一体化技术应用交流会上,河北省住房和城乡建设厅 建筑节能与科技处处长程才实,给与了建筑保温结构一体化技术这样的评价“建筑节能保温结构一体化技术,是伟大的创造力,是符合时代发展的产品,符合了建筑保温的耐久性、抗热性、抗震性,与建筑同寿,解决了传统保温带给社会不能解决的社会问题,对混凝土起到很好的保护作用......”
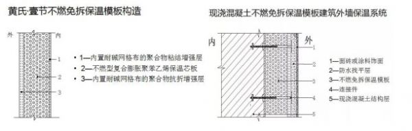
(韦延年教授与黄氏壹节创始人黄茂林先生合影) 除了中国建筑领域专家对建筑保温与结构一体化技术的大力认可以外,近几年各地政府也出台了做好推广应用建筑保温与结构一体化技术工作的通知: 2017年4月6日,新乡市住房和城乡建设委员会关于进一步做好推广应用建筑保温与结构一体化技术工作的通知; 2018年7月6号,三门峡市住房和城乡建设信息网发布了关于大力做好建筑保温与结构一体化技术推广应用工作的通知; 2018年7月25日,保定市住房和城乡建设局发布了“关于进一步做好推广应用建筑保温与结构一体化技术工作的通知” ...... 那究竟什么是建筑保温结构一体化技术,既然获得了建筑业内专家的一致肯定,并得到了政府的高度重视和大力推广? 建筑节能保温与结构一体化技术是集建筑保温功能与墙体围护功能于一体,墙体不需要另行采取保温措施即可满足现行建筑节能标准要求,实现保温与墙体同寿命。 黄氏·壹节不燃免拆保温模板,在主体砼结构施工过程中一体化完成;与建筑融为一体,和建筑同寿;壹节不燃免拆保温模板,采用不燃型复合膨胀聚苯乙烯保温板为保温芯层,内置耐碱网格布的聚合物增强面层与现浇混凝土结构和外侧找平砂浆无空腔结合。从根本上解决了现在外墙保温的空鼓、开裂、脱落、燃烧、渗水等质量问题,实现保温与建筑同寿;能够在实现墙体保温的同时,以高强、轻质、不燃、韧性、同寿、免拆除的特点,代替目前通用的建筑外侧模板,实现技术革新。



(韦延年教授与黄氏壹节创始人黄茂林先生合影) 除了中国建筑领域专家对建筑保温与结构一体化技术的大力认可以外,近几年各地政府也出台了做好推广应用建筑保温与结构一体化技术工作的通知: 2017年4月6日,新乡市住房和城乡建设委员会关于进一步做好推广应用建筑保温与结构一体化技术工作的通知; 2018年7月6号,三门峡市住房和城乡建设信息网发布了关于大力做好建筑保温与结构一体化技术推广应用工作的通知; 2018年7月25日,保定市住房和城乡建设局发布了“关于进一步做好推广应用建筑保温与结构一体化技术工作的通知” ...... 那究竟什么是建筑保温结构一体化技术,既然获得了建筑业内专家的一致肯定,并得到了政府的高度重视和大力推广? 建筑节能保温与结构一体化技术是集建筑保温功能与墙体围护功能于一体,墙体不需要另行采取保温措施即可满足现行建筑节能标准要求,实现保温与墙体同寿命。 黄氏·壹节不燃免拆保温模板,在主体砼结构施工过程中一体化完成;与建筑融为一体,和建筑同寿;壹节不燃免拆保温模板,采用不燃型复合膨胀聚苯乙烯保温板为保温芯层,内置耐碱网格布的聚合物增强面层与现浇混凝土结构和外侧找平砂浆无空腔结合。从根本上解决了现在外墙保温的空鼓、开裂、脱落、燃烧、渗水等质量问题,实现保温与建筑同寿;能够在实现墙体保温的同时,以高强、轻质、不燃、韧性、同寿、免拆除的特点,代替目前通用的建筑外侧模板,实现技术革新。

网址:保温结构一体化—黄氏壹节不燃免拆保温模板 https://www.jiaju82.com/news-view-id-634789.html

