汇明A+墙布通过多项环保检测认证 树立墙布行业新标杆
汇明A+墙布通过家是人们休养生息的住所,是每个人跟家人分享喜怒哀乐的空间,家的氛围也影响着人们的心情。怎样的家装材料才能配得上完美高品质的家呢?质量是高品质家装的基本,汇明A+墙布对产品质量有严苛的标准。目前,汇明A+墙布的产品已经通过181项有害物质检测,获得欧盟SGS认证。SGS是全球领先的检验、鉴定、测试和认证机构,其检测结果为全球公认的质量和诚信基准,汇明A+墙布率先通过SGS检测,安全环保的墙布完全可以满足消费者进行健康消费的需求。
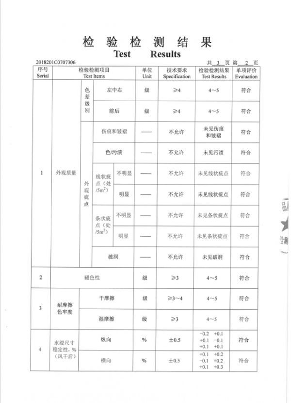
此外,汇明A+墙布在《JG/T 510-2016 中华人民共和国建筑工业行业标准》的全项质检中,以远低于国家标准限值的优质产品获得合格检测报告,是值得消费者信赖的墙面装饰产品。此标准检测是指由中国建筑装饰装修材料墙纸分会发布的,适用于以天然植物纤维或纺织物为面层,纸或布及其他复合材料为基底的室内墙面装饰物的检测。
更值得一提的是,汇明A+墙布的产品在GB18401-2010《国家纺织产品基本安全技术规范》的检测中,其产品质量达到纺织品A类标准,也就是婴幼儿亲肤标准。纺织品A类标准是纺织品中的最高安全等级,墙布作为非直接接触皮肤的纺织产品,只需达到C级标准即可达标,作为市面上唯一一款达到婴幼儿亲肤标准的墙布品牌,汇明A+墙布以高品质墙布为行业树立新标杆,打造高品质家装。
对于汇明A+墙布而言,保障产品安全是企业立足的重中之重。以服装面料标准织造墙布,杜绝使用可分解致癌芳香胺染料,21道品质工序更是让产品达到零甲醛、零重金属的健康产品。汇明A+墙布绿色环保,安全可靠,为每一位消费者的家装安全保驾护航,让家居生活变得更加的放心、舒适。
网址:汇明A+墙布通过多项环保检测认证 树立墙布行业新标杆 https://www.jiaju82.com/news-view-id-662606.html

