不是谁家都能安智能马桶盖 你知道怎么判断吗
岁末年初,“去日本买个马桶盖”的新闻被炒的沸沸扬扬,各种见仁见智的评论,马桶盖这个平时难登大雅之堂的东西瞬间被duang了一下,加了特效,各路大神对它评头论足。那不你家的马桶规格是否适合日本买的马桶盖呢,别大老远买回来才发现根本安装不了。

不是谁家都能安智能马桶盖 你知道怎么判断吗
智能马桶盖可以说与智能座便器有着同样的功能,很多消费者都会这样认为:只要把智能马桶盖买回家就大功告成了,可以坐享“智能马桶”了。实际上呢还有很多问题需要注意:
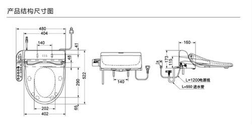
一:要对马桶尺寸了如指掌:在选择品牌的智能马桶盖时,很多时候都是与该品牌的座便器相配套的,但选择时还是要进行实际测量。如果在选择座便器与智能马桶盖不是相同品牌的时候,智能马桶盖就要与消费者家中所使用的座便器的尺寸相匹配。智能马桶盖对家中目前的座便器还是很“挑剔”的,譬如说水箱壁到座便器最前端至少要49cm,如果小于这个距离,就会出现马桶盖与座便器不配套的情况。

智能马桶盖选择
二:买之前要考虑家里马桶的形状:现在马桶的类型较多,正圆形、方形马桶都早上市。这部分产品与智能马桶盖的匹配性较差,安装后不够美观。此外,还有一部分马桶水箱与马桶座圈连接处会有起来的横杠或者是呈较大弧形,也会从一定程度上影响智能马桶盖的安装。
三:电源电压要考虑周全:如果是在日本或者国外其他地区购买的马桶盖则要考虑是否符合国内的电压标准,需要单独采购变压器,还有一点很重要一般家里卫生间传统马桶安装附件很少会安装电源,那么就会影响到后续马桶盖的使用。
对于一些重要的基础问题解决好后就是最关键的选购马桶盖了,我们整理了一下关键点希望能给大家一点帮助
一看厂家口碑:你选的品牌是否专注于智能马桶盖的研究开发(现在国内的智能马桶盖大多是贴牌生产,国内的一些小厂家多分布在江浙,一个厂给多个品牌贴牌,质量不稳定,技术不过关,多出现的问题是;水箱漏水,喷头漏水,防潮措施做的不好,导致主板平均2年损害一次,操作面板平均1年左右坏一次,增加了你的烦恼)
推荐专题--中日智能马桶盖大pk
二看水箱的容量:国产水箱多数80ml,热水时间长,洗的畅快。
三看产品有无挡尿槽:专业的产品会专为男士坐姿小便时设计了挡尿槽。
四看保修时间:(区别开保修和包修)很多国产只敢保一年。
五看喷头的构造和材质:由于银的造价较高,部分产品通常会用不锈钢的混淆视听,纳米银的杀菌功能是不锈钢所不能代替的。国产的不锈钢管套住里面的塑料管,很容易在接缝处滋生大量的细菌,这也是前段时间曝光的国产智能卫生座更不卫生的原因。采用可拆卸的纳米银离子杀菌喷头,保障了顾客的安全。
六看喷头出水的喷射方式:气泡式的水柱更舒服。
七看通便功能的真假:很多产品欺骗消费者有通便功能,在这一点,有专利证书才是最好的证明,消费者一定要瞪大眼睛选择。
八看过滤装置:专业的生产厂家会在内置滤网的基础上再加一道外置超滤过滤器,以保证消费者的卫生,减少感染的机会。而国产的为减少成本,往往省略掉了外置过滤器内置过滤不能滤掉细菌,只能滤掉杂质,水箱易产生水垢。
九使用成本:通常国产水箱里面由于缺乏调压泵等方面设计缺陷导致漏水从而使用电量大增。原装的每月电费水费只需6元左右。
网址:不是谁家都能安智能马桶盖 你知道怎么判断吗 https://www.jiaju82.com/news-view-id-681675.html

