莫干山科技木的一小步,中国科技木行业的一大步

众所周知,科技木是一种“重组装饰材”,是以普通木材或速生材为原料,利用仿生学原理,采用电脑模拟设计,生产出各种优于天然珍贵树种的新型木质装饰材料,人们之所以喜欢它,正是因为它的色彩缤纷,富有创造性地制造出具有艺术特色的品种,符合现代人的审美特性和设计思路。
那么,问题来了!
科技木存放久了颜色会变
成品安装好后颜色变绿了,变黄了
热压后木皮变色了
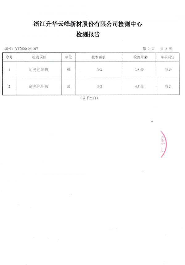
以上三个问题就是科技木产品在生产、存储、销售过程中普遍存在的痛点、难点,我们统一称之为“色牢度”问题。这个问题长期困扰中国科技木行业,据了解,科技木行业目前的平均色牢度仅仅只有2.5,远远低于天然木皮的4,而想到达到5这样的高色牢度,必然需要付出巨大的努力。
莫干山科技木,一直致力于技术创新,多年来不断精进产品品质,最终打造出防变色、防褪色的科技木产品,成为中国科技木行业高色牢度的创新者,以自身的一小步,推动行业进步的一大步。
创新平台推动技术进步
莫干山科技木的成就,正是有赖于公司对科技创新的重视和投入,在实施科技强企战略过程中,云峰筑巢引凤,逐步深化创新平台建设,成立省级“企业研究院”、省级院士专家工作站、博士后工作站等,积极引进工程院院士、专家学者,充分发挥院士专家的技术引领作用,充分发挥教授级高工、博士后、博士等高层次人才在企业自主研发中的基础作用,共同推动产学研紧密合作,集聚创新资源,突破关键制约技术。

聚焦痛点攻克行业难题
2019年3月,公司为攻克色牢度难题,专门成立一支以云峰莫干山家居研究院副院长、教授级高工庞小仁为主导的“色牢度提升项目小组”,其研究目的是将科技木提升色牢度至4以上,同时从变色到褪色,变色时间延长5倍以上。同时,在过去的两年时间里,攻关团队尝试200多中颜料,联合中国林科院木材工业研究所、浙江省林科院、南京林业大学、浙江农林大学、北京林业大学等科研院所和高等院校共同参与技术革新。
星光不负赶路人,在众多研发人员、创新平台的共同努力下,莫干山科技木最终攻关成功,解决行业难题。同时,莫干山科技木还与宣伟、大宝等国内知名品牌油漆厂家达成战略合作关系,凭借科技木的色牢度提升和耐黄变油漆等技术,达到成品家具不变色,大幅度延缓褪色时间的目标,引领行业发展走向新高度。
木皮效果对比
检测报告
我们崇尚自然的天然细腻,也探索科技的简单至美,当自然与科技相遇,科技木成为我们突破桎梏,对话未来的利器。我们积极携手中国科学院与国内一流科研院校的专家学者,广泛开展深入的产学研合作,努力走在时代前端,也站在产品塔尖。创新,让未来超越想象;莫干山科技木,匠心笃行,专心造木。
网址:莫干山科技木的一小步,中国科技木行业的一大步 https://www.jiaju82.com/news-view-id-712918.html

