“减碳”新业态下的艾莱卡(ALARKO)大功率冷凝壁挂炉及系统设计
“碳达峰、碳中和”已经成为近段时间的热词,各地区、各行业都在不断加快减碳、脱碳行动的步伐,为实现国家“双碳”目标贡献力量。我国建筑行业的碳排放约占全国碳排放的40%,而暖通能耗约占建筑能耗的60%,因此暖通行业的碳排放问题引起社会各界的极大关注,没有任何一家企业能够忽视“双碳”所带来的剧烈影响。
作为较早(1973年)在欧洲上市的供热、通风和空调制造商之一,艾莱卡(ALARKO)集团目前旗下拥有3家上市公司,截至2016年3月份,集团总市值已达到4.82亿美元。对于环境保护问题,自1954年成立之初,集团就一直秉承“从根源治理”的理念,专注于研发和使用清洁能源产品和系统,走绿色发展之路,以提高能源利用效率,实现低碳减排。1998年,集团和美国开利(CARRIER)集团强强联合,进一步确立了在暖通空调领域的优势地位。此后,集团致力于冷凝锅炉的研发和推广,并且于2003年获得了政府部门颁发的环境奖,见证了艾莱卡(ALARKO)集团对于环保事业锲而不舍的追求。
随着北方“煤改气”市场的扩容,中小型公共建筑锅炉房的更新换代需求日渐旺盛;加上南方市场供暖理念的进一步深入,中小型公共建筑的供暖也逐步增多。原来以小型落地锅炉为主要热源的供暖方式也出现了多元化的趋势。艾莱卡Aldens大功率壁挂锅炉因其安装的便捷和可多机并联集中控制的特点而成为中小型公共建筑供暖热源的首选产品。
采用单台大功率壁挂炉锅炉或多台级联的方式取代中小型落地锅炉作为热源进行对中小型公共建筑供热,可满足不同建筑面积的酒店、会所、游泳场馆、学校、医院等中小型公共建筑的供暖和热水需求,模块化管理,无需备用锅炉,搭配灵活。这种大功率的燃气壁挂炉适用于民用天然气,对锅炉房的要求较低,无需特殊建筑结构设计,施工方便,用户无需到质监部门进行报装,可选择安装在建筑的地下室或楼顶。艾莱卡(ALARKO)Aldens系列大功率冷凝壁挂炉,采用全预混燃烧方式,氮氧化物排放低(小于50mg/kWh),热效率高,符合当前的产业政策,环保节能。锅炉自身带有控制单元,最多可实现256台锅炉的级联控制,并平均分配每台锅炉的运行时间,保证每台锅炉的均衡出力,操作方便,无需司炉工,可无人值守,优势明显。

用户通过主机锅炉的控制中心可设置供热系统的不同循环回路(直接循环回路或混水循环回路)独立运行,并可为不同的循环回路设置供暖曲线、时间程序控制、热水系统的优先级控制、热水系统的时间程序控制以及热水系统的防军团菌功能等参数。同时,用户也可以使用PC机或平板电脑通过局域网或互联网借助网络服务器对锅炉系统运行状况和参数进行远程监控和设定,并对已发生的故障错误现象进行诊断。
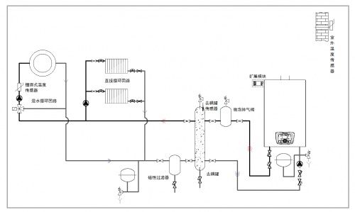
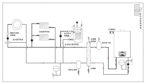
艾莱卡(ALARKO)Aldens冷凝壁挂炉作为采暖和生活热水系统的热源和控制中心,是系统的重要组成部分。一个科学合理的采暖和热水系统设计,尤其先进的控制模式,对设备的运行、系统的稳定及节能有良好的保护和促进作用。如何发挥锅炉在系统中的核心作用,系统的设计非常重要。常见的系统如下:
1、单台锅炉去耦罐供暖系统:1个直接循环回路(散热器末端)、1个混水循环回路(低温地暖末端)。

2、单台锅炉去耦罐供暖和热水系统:1个直接循环回路(散热器末端)、1个混水循环回路(低温地暖末端)、1个生活热水循环回路(单盘管换热水箱)。

3、单台锅炉去耦罐供暖和太阳能热水系统:2个直接循环回路(散热器末端)、1个混水循环回路(低温地暖末端)、1个太阳能生活热水循环回路(双盘管换热水箱)。

4、多台锅炉级联去耦罐供暖和热水系统:3个混水循环回路(低温地暖末端)、1个生活热水循环回路(单盘管换热水箱)。

5、多台锅炉级联板式换热器供暖和太阳能热水系统:2个直接循环回路(散热器末端)、1个混水循环回路(低温地暖末端)、1个太阳能生活热水循环回路(双盘管换热水箱)。

综上,Aldens大功率冷凝壁挂炉可以根据不同的需求和使用条件,灵活配置,为用户设计出科学合理的采暖或热水系统方案,满足其使用需求。
艾莱卡(ALARKO)集团作为低碳节能道路上的践行者,积极响应国家的减碳目标,在低碳道路上积极部署,乘“碳达峰、碳中和”之风,打造冷凝壁挂炉的核心竞争力,秉承可持续发展的理念,为消费者带来高效、稳定的暖通产品,为消费者的舒适生活、为绿色环境保驾护航。



网址:“减碳”新业态下的艾莱卡(ALARKO)大功率冷凝壁挂炉及系统设计 https://www.jiaju82.com/news-view-id-771425.html