厨房自动灭火系统(厨自灭、动火离人系统)安装方法
厨房自动灭火系统是一款用于商用后厨的自动灭火装置,主要由设备主机箱、管路、喷嘴、易熔片支架、易熔片挂钩、易熔片、钢丝绳组成,主机箱内含启动装置、氮气高压瓶、厨房植物油专用灭火药剂、不锈钢瓶等零部件组成,该产品灭火性能稳定,效果好,目前多用于高端酒店后厨、学校政府机关单位食堂,连锁餐饮加工间等等。
植物油燃点为360℃,在厨房烹饪时,极容易在油锅加热过程中,疏忽大意导致油锅起火,其特点是,火势蔓延快、温度高并易失控。 原因有以下几点:1.厨房加工间设备多、过道窄 2、油火蔓延速度快 3、烟道和烟罩内常年累积的油污容易被点燃,造成火势难控制 ,目前市面上处理油锅着火基本都采用灭火毯,其灭火原理使其隔绝空气灭火,这种方法需要将灭火毯严严实实盖住锅的四周,彻底隔绝空气中的氧气,对操作人员要求高,在刚刚着火瞬间,火势还没有扩散开来,工作人员要在短时间内拿到灭火毯,熟练的将灭火毯严丝合缝的盖住着火容器上,使其明火熄灭,弊端就是这时通过肉眼无法观察内部明火是否熄灭,如未熄灭,短时间就会让灭火毯失去作用,如已熄灭,在油温还没有降下来的时候,接触到空气的中氧气后油锅会迅速复燃。
上海兴桐牌厨房自动灭火系统通过手动和自动2种方式去灭火,对人员操作要求较低,在油锅起火后,如果厨房没有人员及时发现,温度高到一定程度会触发自动启动装置,设备自动启动灭火,迅速有效。如厨房有工作人员在现场,而火势所产生的温度还没有达到自动触发灭火装置,可手动紧急启动设备,厨房自动灭火系统优势就在于灭火迅速,操作简单。 缺点在:设备安装复杂,对安装人员要求高。
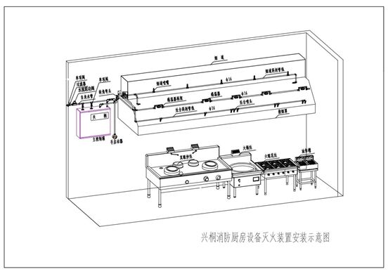
安装方法如图所示:

将主控箱置于烟罩两侧任意一侧,用膨胀螺丝将主控箱固定,从主控箱中延伸2支管路到烟罩,分别为:固定易熔片及钢丝绳管路,该管路为自动启动部分,另一支管路与专用消防喷头连接,用于喷射灭火药剂(喷射药剂和水雾降温管路为同一支),喷射管路又分为:下喷管路,上喷管路,侧喷管路,对烟罩360°全方位保护,目前市面上的管路又分2种,一种为卡压式管路,需要用到液压钳进行安装,一种是套丝管路,需要用到套丝机进行安装,安装原理为,上喷管路中的喷嘴对准烟罩的排烟口,侧喷管路中的喷嘴在间距1.5m-2m间位置加装侧向喷头,下喷管路中的喷嘴对准炒锅的正中间,依次安装,以上管路安装完毕后即可启动触发装置,最后装好高压大气瓶即可。详细安装可咨询 159-219-36554(免费指导安装)

网址:厨房自动灭火系统(厨自灭、动火离人系统)安装方法 https://www.jiaju82.com/news-view-id-795888.html

